
- Noseggalvas: 2 gab. servo-moto braukšanai
- Spriegums: 220V, 50/60HZ;
- Jauda: 3.0Kw
- Gaisa spiediens: 0,5–0,7 Mpa
- Strāva: 8,5A
- Ātrums: 40-45/min (pielāgots atbilstoši burku formai un izmēram)
- Piemērots produkta diametrs: φ28-φ125 mm vāki (nestandarta pielāgoti)
- Dziedzera caurlaidības ātrums: ≥99,5% (atkarībā no vāka un pudeles kļūdas)
- Mašīnas izmērs: 3300 * 1150 mm * 1908 mm
- Svars: 450 kg
Pirms mašīnas ieslēgšanas. Lūdzu, rūpīgi izlasiet šo rokasgrāmatu, lai pārliecinātos par drošību un pareizu iekārtas lietošanu. Lai izvairītos no nelaimes gadījumiem ar personālu un samazinātu mašīnas bojājumu biežumu.
Kodīgu produktu gadījumā uzmanieties, lai kodīgi priekšmeti nepieskartos pašai mašīnai un personālam vai uzšļakstītos uz tiem.
- Izvairieties no iekārtas lietošanas vietās, kas pakļautas vibrācijai vai sadursmei.
- Kad mašīna darbojas, personāla ķermenis nevar pieskarties kustīgajām daļām.
- Jāizvairās no iekārtas izmantošanas pārāk mitrās vietās. Un ievadiet to barošanas avotā, pareizi iezemējot zemējuma vadu, lai izvairītos no drošības negadījuma.
- Operatoram jāuztur normāls fiziskais un garīgais stāvoklis. Ja lietojat alkoholu, miegazāles vai citas narkotikas, kas kaitē jūsu garīgajam stāvoklim, pārtrauciet darbināt iekārtu.
- Operatoram ir jāvalkā atbilstošs apģērbs, lai izvairītos no savainojumiem, ko rada apģērba iesaistīšanās ripojošajās daļās, un viņš nedrīkst novietot uz mašīnas nekādus svešus priekšmetus.
- Ja lietošanas laikā rodas troksnis vai citas novirzes, nekavējoties apstājieties un pārbaudiet. Tehniķi, kas nav saistīti ar inženieriju, lūdzu, nepārvietojiet mašīnas daļas patvaļīgi.
- Regulāra (reizi/nedēļā) apkope un kopšana, izvairoties no ūdens vai jebkāda šķidruma šļakatām un elektroniskām vadības kārbām vai citiem elektriskiem komponentiem mašīnas tīrīšanas laikā.
- Lūdzu, darbojieties atbilstoši parastajām darba procedūrām un uzturiet mašīnas virsmu tīru un kārtīgu.
Korķa mašīnu iepakošanas procesā izmanto visu veidu kosmētikas, medicīnas, veterinārmedicīnas, pesticīdu, smēreļļas un citās rūpniecības jomās.





Burku aizvākošanas mašīnas princips un īpašības:
- Elektriskā automātiskā vadība, tā ir stabila;
- Ar vāciņa pozicionēšanas ierīci, bloķēta vāka standarts, darbība ir ērta;
- Slēdzene aptver plašu klāstu, var griezt dažādu formu vāciņu specifikācijas;
- Ierobežošanas ātrums, griešanās cietums, vienlaikus var arī atkarībā no nepieciešamības pielāgot pārtīšanas blīvumu.


Kosmētikas burku aizvākošanas mašīnas pamatparametri:

1. Noseggalvas: 2 gab. servo-moto braukšanai
2. Spriegums: 220V, 50/60HZ;
3. Jauda: 3.0Kw
4. Gaisa spiediens: 0.5--0.7Mpa
5. Ampera: 8,5A
6. Ātrums: 40-45/min (pielāgots atbilstoši burku formai un izmēram)
7. Piemērots produkta diametrs: φ28-φ125 mm vāki (nestandarta pielāgoti)
8. Dziedzera caurlaidības ātrums: ≥ 99,5% (atkarībā no vāka un pudeles kļūdas)
9. Mašīnas izmērs:3300*1150mm*1908mm
10. Svars: 450kg
Resursdatora daļas apraksts


Strāvas slēdzis: vadiet barošanas padevi ieslēgtā---izslēgt.
Strāvas indikators: barošana ieslēgta — ieslēgta zaļā gaisma, izslēgta izslēgšana — zaļā gaisma izslēgta.
Avārijas apturēšana: izmanto, lai nekavējoties apturētu mašīnu vai atiestatītu funkciju avārijas vai kļūmes gadījumā.
1. Ieslēgt fotoelektrisko: Mašīna darbojas, kad fotoelektriskais detektors konstatē, ka ir pudele un ir vāks, Pagrieziena galds var sākt darboties. Ja viens no diviem fotoelektriskajiem elementiem netiek atklāts, pagrieziena galds negriežas.
2. Fotoelektriskā izcelsme: To izmanto, lai vadītu pakāpju motoru, lai virzītu pagrieziena galdu, lai pudeli varētu vienmērīgi ievietot vāciņā.
3. Vāciņa fotoelektrība: Pārbaudiet, vai vāciņš ir vietā, un fotoelektriski nosaka, vai ir pagriežams vāka pagrieziena galds.
4. Pārsega fotoelektrība: Kontrolējot augšējā vāka mašīnas iedarbināšanu un apturēšanu, kad augšējā vāka mašīnas nodrošinātais pārsegs ir sakārtots fotoelektriskā mehānisma noteiktajā pozīcijā, fotoelektrība vienmēr ir spilgta, vāka iekārta apstājas pret vāku un tiek ieviests viedais vāks. .
5. Slēdzenes vāka fotoelektrība: Kad pudele ar vāku iet garām, tiek noteikta fotoelektriskā noteikšana un bloķēšanas vāks tiek iedarbināts atbilstoši iestatītajam aizkaves laikam (konkrētie parametri tiek pielāgoti atbilstoši konveijera lentes ātrumam, kad iekārta tiek regulēta).
6. Slēdzenes vāka sistēma: Pudele ar vāku ir vienāda, fotoelektriskā palaišanas aizkave, aizkave uz cilindra skavas pudeli, slēdzenes vāciņš ir nolaists, roktura vāciņš - skrūvējams vāciņš - satvērēja atbrīvošana - slēdzenes vāciņš paceļas - klipša pudele ir atslābināta, un slēdzenes vāciņa process ir pabeigts. Slēdzenes vāciņā, kad 1# slēdzenes vāciņš atrodas slēdzenes vāciņā, iekļūst cita pudele. Šajā laikā 2# skavas pudeles cilindrs kustas un tiek aktivizēts 2# slēdzenes vāks, lai bloķētu vāku. (Kad vāciņš, kas ir bloķēts ar 2# slēdzenes galviņu, šķērso 1# spailes pudeli, neatkārtojiet slēdzenes vāks.

Cilvēka un mašīnas saskarnes apraksts

Sāknēšanas lapa
3.1 Sāknēšanas lapā ir operāciju izvēle angļu, ķīniešu valodā, ja izvēlaties ķīniešu pogu, ievadiet šādu interfeisu:

Otrais interfeiss
Apstāties: Visas mašīnas starta slēdzis, pieskarieties šim taustiņam, iekārta darbojas automātiskajā režīmā, vēlreiz pieskarieties šim taustiņam, mašīna pārstāj darboties.
Pārbaudes vārti: Pārbaudiet mašīnas darbību.
Skaņas atskaņotāja ātrums: Jo lielāks ir ātruma parametrs, jo lielāks ir ātrums, jo lēnāks ir ātruma parametrs. (Bet ir maksimālais ierobežojums.)
Skaņas atskaņotāja aizkave: Pagrieziena plates palaišanas laika iestatījumi, saskaņā ar atskaņotāja darbības vienmērīgu efektu, lai iestatītu.
Ierobežošanas aizkave: Pēc pagrieziena galda uz norādīto staciju, aizkavējiet gaidīšanas laiku, cilindra darbības vāciņu.
Ierobežošanas laiks: Laiks, kas nepieciešams cilindra blīvēšanai.
Izvade: Aizpildiet slēdzenes vāka skaita uzskaiti, ērtu ražošanas uzskaiti. Nospiediet atiestatīšanas taustiņu, lai notīrītu.
X1. X3. X14: Pārbaudiet, vai fotoelektrisks ir atstarojuma darba stāvoklī, viegli redzēt mašīnas stāvokļa darbību,
Ierobežojuma parametrs: Nospiediet šo taustiņu un ievadiet šādu interfeisu:

Interfeiss ir parametru lapa, kas jāiestata katrai 1 # slēdzenes galviņas darbībai servo slēdzenes pārsega sistēmā, saprātīga parametru iestatīšana ir labvēlīga mašīnas stabilitātei un efektivitātes uzlabošanai.
Atgriezties: Nospiediet šo pogu, lai atgrieztos otrajā interfeisā.
I/O: Nospiediet šo pogu, lai atvērtu šādu interfeisu:

X sērijas punkti: Vai ievades punkts, lai noteiktu, vai fotoelektrisks ir darba stāvoklī, ir viegli redzēt iekārtas darbību, vieglu apkopi.
Y sērijas punkti: Vai izejas punkts izpildkomponentu normālā stāvoklī atgriezenisko saiti, var arī manuāli nospiest vadības taustiņu, lai pārbaudītu, vai izpildes komponenti ir normāli.
Vāciņu padeves sistēma: Var būt stabils un sakārtots atbilstoši noteiktajam pārseguma virzienam.
Slīpuma regulēšana: saprātīgu leņķi var regulēt, lai kontrolētu atpakaļgaitas vāks neiekļūt slaidā.
Frekvences pārveidotāja regulēšana: kontrolēt vāka ātrumu.


Burku vāciņu aprīkojuma apkope:
1. Lai nodrošinātu drošību, uzturiet mašīnu, ja tā ir izslēgta un gāze ir izslēgta. Uzturiet iekārtu tīru un kārtīgu, uz tās nedrīkst būt dažādu priekšmetu, sīku priekšmetu, piederumu, skrūvju utt.
2. Un smēreļļa tiek regulāri pievienota kustīgās daļas mehānismam, lai nodrošinātu labu mehānisma darbības stāvokli.
3. Regulāri izlaidiet ūdeni no gaisa filtra bloka un pievienojiet smēreļļu, lai nodrošinātu pareizu cilindra lietošanu un pagarinātu kalpošanas laiku.
4. Regulāri pārbaudiet un remontējiet iekārtu. Novērtējiet iekārtas darbības stāvokli, izmantojot redzi un ausis, lai pārliecinātos, ka iekārta darbojas labi.
Piezīme: lūdzu, izmantojiet un uzturiet stingrā saskaņā ar instrukcijām, garantijas periods ir stingri aizliegts atvērt un izjaukt, pretējā gadījumā bojājumi, kas radušies kā cilvēka bojājumi, bez bezmaksas remonta. Šī instrukcija var tikt mainīta bez brīdinājuma; Ja joprojām ir neskaidrības par šīs iekārtas darbību, lūdzu, zvaniet mums jebkurā laikā, lai uzzinātu
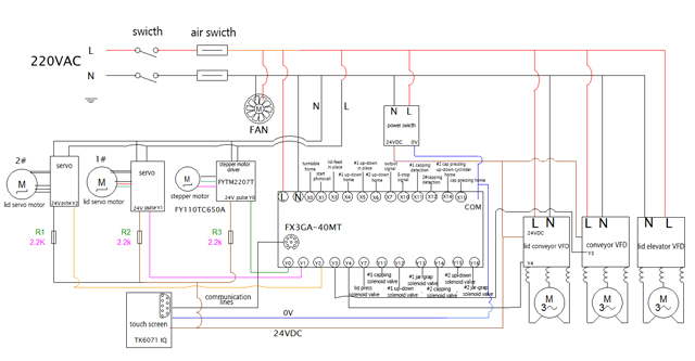
Pievienotā elektriskā shēma:

Gatavi noslēgti vāciņi ir paraugi burku aizvākošanas mašīnai:





Atzīmes: jo kvadrātveida melnās burkas vāciņu dēļ ir jutīgas pret skrāpējumiem, tas ir izveidots ar savācējsistēmu, lai izvilktu burku vāciņus no paplātēm un ievietotu aizvākošanai gatavā stacijā vāciņu aizvēršanas procesam. Detalizēts darbības princips ir ilustrēts šādi: Darba process:
1. Manuāla vāciņu ievietošana paplātē (15*15 vai 10*10)

2. Paplāšu ievietošana gatavās savākšanas stacijā
3. Roboti savāc burkas

4. Pudeļu novietošana un aizvākošanas procesa pabeigšana
5. Burkas ar vāku











