
- Aizvākošanas ātrums: 15-30 gab./min
- Nominālais spriegums: 110V/60Hz (ASV standarts)
- Mašīnas jauda: 0,8KW
- Strāvas jauda: 2,2A
- Ārējie izmēri: 2230*1460*1600 MM (G*P*A)
- Gaisa spiediens: 0,7 MPa
- Svars: apmēram 300 kg
Paziņojums pirms pudeļu aizvākošanas iekārtas palaišanas
1: Pirms iekārtas pievienošanas strāvas avotam pārliecinieties, vai strāvas slēdzis ir aizvērtā stāvoklī, un pēc tam izpildiet norādījumus.
2: Ja iekārta ilgstoši nedarbojas, tā jānoslauka ar sausas drānas gabalu un to nedrīkst tīrīt ar korozīvu tīrīšanas līdzekli.
3: Ir stingri aizliegts izsmidzināt šķidrumu iekārtas elektriskajā kastē, lai izvairītos no iekšējo elektrisko komponentu korozijas un īssavienojuma.
4: pārbaudiet saskaņā ar aprīkojuma iepakojuma saraksta modeļiem, specifikācijām un aprīkojuma un materiālu daudzumu, lai pārliecinātos, ka tie atbilst konstrukcijas un izstrādājumu standartu prasībām, un tiem ir pievienoti atbilstības sertifikāti.
5: pārbaudiet iekārtas izskatu, lai pārliecinātos, ka tajā nav nekādu deformāciju, bojājumu un korozijas, un visām vārpstām ir jābūt elastīgai rotējošai bez jebkādiem aizsprostojumiem.
6: šī iekārta darbojas ar vienfāzes maiņstrāvu 110 V, un plakanais trīsstūrveida strāvas kontaktdakša ir jāpievieno strāvas kontaktligzdai ar zemējuma vadu.
Tehniskie parametri

- Aizvākošanas ātrums: 15-30 gab./min
- Nominālais spriegums: 110V/60Hz (ASV standarts)
- Mašīnas jauda: 0,8KW
- Strāvas jauda: 2,2A
- Ārējie izmēri: 2230*1460*1600 MM (G*P*A)
- Gaisa spiediens: 0,7 MPa
- Svars: apmēram 300 kg
Sīkāka informācija par vāciņu mašīnu:



Mašīnas struktūras

Optiskās šķiedras elektriskās acs apraksts
Elektriskā acs, lai noteiktu pudeles:

Kad tā darbojas automātiskajā režīmā, šīs elektriskās acs mērķis ir noteikt ienākošās pudeles.
Kad tiek atklāta ienākošā pudele, "griežamais galds" griežas.
Vāks-Piegādes elektriskā acs

Kad tā darbojas automātiskajā režīmā, šīs elektriskās acs mērķis ir noteikt ienākošos vākus.
Kad tiek atklāts ienākošais vāks, "izņemšanas mehānisms" paceļas materiāla paņemšanai.
Vāks-Piegādes elektriskā acs

Kad tas darbojas automātiskajā režīmā: šīs elektriskās acs mērķis ir noteikt ienākošās pudeles.
Kad tiek konstatēta ienākošā pudele, "bloķēšanas vāciņa mehānisms" pagriež slēdzenes vāciņu uz leju.
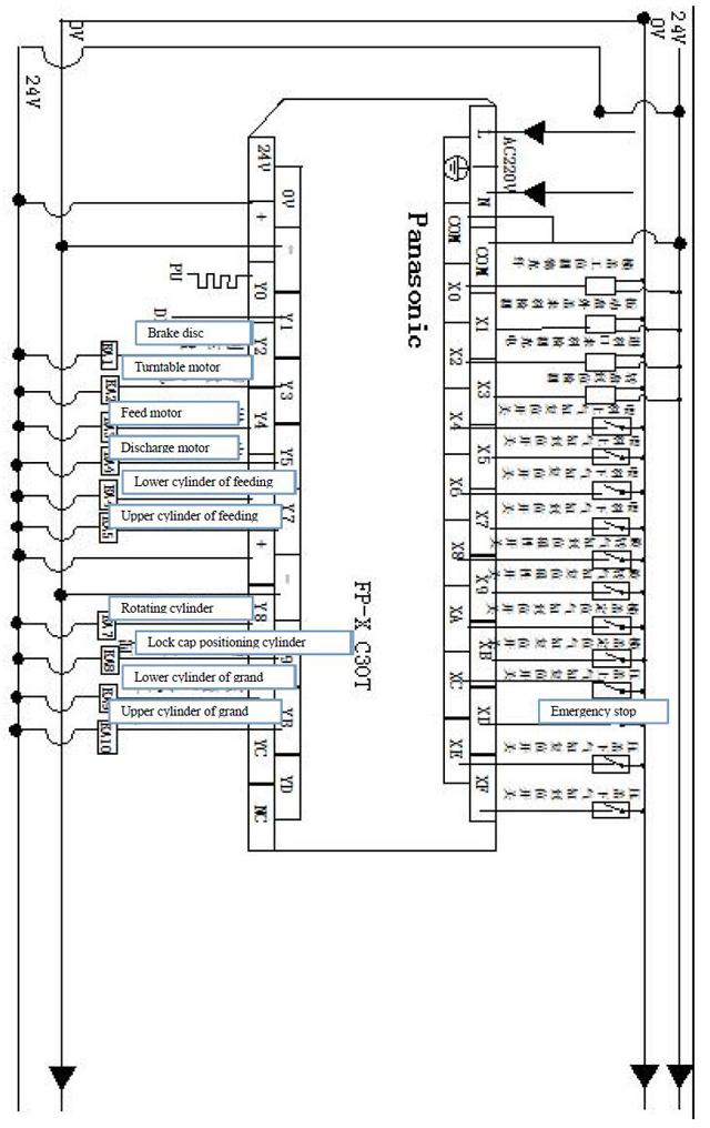
Slēdža poga un vadu pieslēgvieta
Skārienekrāns un avārijas apstāšanās

Padeves motora un vāka vibrācijas plāksnes kontrolieris

Vibrācijas plāksnes kontrolieris

Vibrācijas plāksnes kontrolieris: regulējot spriegumu, noregulējiet izlādes ātrumu.
Strāvas slēdzis un rozetes

Motora kontrolieris

Frekvences transformators: pielāgojot frekvences transformatora pogu, noregulējiet motora ātrumu.
Trauksmes un problēmu novēršanas metode:
1. Ir nospiesta avārijas apturēšana. Nospiediet avārijas atdures uz iekārtas vāciņa un blakus skārienekrānam.
2. Izvade sasniedz iestatīto vērtību. Iestatiet izvadi, nospiediet dzēšanas pogu, lai notīrītu pašreizējo izvadi.
3. Ja vāciņi netiek atklāti ilgu laiku, lūdzu, pārbaudiet. Pārbaudiet, vai pudeles vāciņa indukcijas šķiedra ir labi nodrošināta. Pārbaudiet, vai vāciņi ir vai nav.
4. Ja pudeles ilgstoši netiek atklātas, lūdzu, pārbaudiet. Pārbaudiet, vai pudeles ir savās vietās.
Elektriskā acu regulēšana:
Pastiprinātāja struktūra

Optiskās šķiedras diagramma:

1. Optiskās šķiedras bloķēšanas stienis
2. Darba stāvokļa indikators
3. Uzstādīt
4. DSC indikators
5. Digitālais monitors
6. Manuālā poga
7. Pagarināts aizsargapvalks
8. Paplašināšanas savienotājs
9. Jaudas selektora slēdzis
10. Režīma poga
11. Izvades atlasītājs
12. Kabeļi
13. Putekļu aizsargs
14. Iestatītā vērtība (zaļā krāsā)
15. Pašreizējā vērtība (sarkanā krāsā)
Optisko šķiedru iestatījuma darba process
- Kad elektriskā acs iekrīt spraugā, sarkanās strāvas vērtība ir 144.
- Kad elektriskā acs nokrīt uz etiķetes, sarkanās strāvas vērtība ir 4.
- Pielāgojiet iestatīto vērtību"apmēram 1/2 no vērtības, ko elektriskā acs atrodas uz ķermeņa papīra (atstarpe starp nosakāmajiem objektiem) un vērtību, ka elektriskā acs atrodas uz papīra, iestatītā vērtība ir (144 4)/2=74, noregulējiet manuālo pogu, lai iestatītu vērtību uz 74.
- Pārvietojiet etiķetes atstarpi uz priekšu un atpakaļ elektriskās cilpas vietā un sarkanajā “signālgaismā/indikatora gaismā”.
Shēmas shēma



Apkopes pudeles aizvākošanas mašīna

1. Ir nepieciešams pārbaudīt un uzturēt mašīnu, lai pagarinātu mašīnu un optimizētu mašīnas darbību;
- Darba mašīna jāveic ik pēc trim mēnešiem;
- Ar smērvielu jāieeļļo gultņa un zobratu transmisijas daļa;
- Eļļošana jāveic periodiski;
- Slīdes eļļa (N68) jāpievieno detaļai, piemēram, mehānisma kustība vai pacelšana divas reizes dienā;
- Automobiļu eļļa (N68) jāpievieno rotējošajām vai šūpojošajām daļām;
- Ik pēc pusmēneša pievienojiet smērvielu izciļņa slotā;
- Katru mēnesi vienu reizi eļļas sprauslai, pievienojot smērvielu;
2. Nekad neizmantojiet metāla instrumentus, lai triektu vai skrāpētu virsmu, kur saistība ir sablīvēta uz detaļām, piemēram, detaļām vai pelējuma.
3. Ja mašīna ilgstoši pārtrauc darboties, pievienojiet smērvielu eļļošanai tādās daļās kā transmisija vai gultņu daļa; Apstrādājiet mašīnu arī ar ūdensnecaurlaidīgu aizsardzību.
4. Nekad nenovietojiet uz iekārtas nekādus priekšmetus, lai tie nesabojātu iekārtu.
5. Periodiski notīriet no putekļiem komponentu iekšpusē, pārbaudiet visas skrūves un piestipriniet visas atskrūvētās skrūves.
6. Noteiktā laikā pārbaudiet, vai spaiļu skrūvēm nav vadu, un pārliecinieties, vai skrūve ir nostiprināta;
7. Pārbaudiet, vai no elektrības kārbām izstieptajā vadu ceļā nav kāda vaļīga stacija; Ja daļa ir pārāk vaļīga, pieskrūvējiet vēlreiz, lai izvairītos no izolācijas slāņa noberšanās vai bojājumiem, kas var izraisīt elektrības noplūdi.
8. Pārbaudi viegli nolietojamos glāstus un laicīgi nomaina bojāto;









