
- VK-BR stikla pudeļu veļas mašīna
- VK-PF eļļas uzpildes mašīna 4galvas
- VK-VC vakuuma vāciņu mašīna
- VK-RPL apaļo pudeļu marķēšanas iekārta
Pilnībā automātisko uzpildes līniju var pielāgot atbilstoši klienta prasībām un pircēja piedāvātajiem paraugiem. Tālāk ir norādīta pamatinformācija par šo pilnībā automātisko uzpildes līniju pārtikas rūpniecībai:
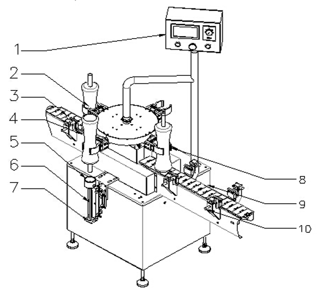
Stikla pudeļu gaisa mazgāšanas iekārta Vakuuma mazgātāja aprīkojums
Tā ir automātiska pudeļu mazgāšanas mašīna ar gaisu. jauda ir atkarīga no gaisa mazgāšanas sprauslām.
Gaisa kompresors transportē gaisu vakuuma tvertnē, gāze caur solenoīda vārstu un jonu ģeneratoru tika attīrīta, trahejas gāzes šampūns izpūš gāzi pudelēs caur gāzes skalošanas muti, izpūš svešķermeņus no gāzes skalošanas mutes ar gāzes spiedienu, aizmugures trahejas izplūdes gāzes izvada uz āru, izmantojot emisijas kontroli.

| 1 | Vadības panelis | 2 | Pudeles |
| 3 | Josta barošanas pudelēm | 4 | Sensors barošanai ar pudelēm |
| 5 | pudeļu fiksācijas struktūra | 6 | Skalošanas injekcija |
| 7 | Elektrostatiskais Tuyere | 8 | Pudeļu fiksācijas punkts |
| 9 | Siksna pudeļu izvadīšanai | 10 | Vadlīnija |
Stikla pudelēm paredzētās automātiskās rotācijas gaisa mazgāšanas mašīnas pamatparametrs:

Modelis: VK-BR
Uzvalks pudelei: 20-1000 ml
Ražošanas jauda: 8 tīrīšanas sprauslas: 3600 ~ 4800 bph
Gaisa spiediena diapazons: 6~8kg/cm2
Gaisa patēriņš: 25m3/h
Barošana: 220V 50/60Hz
Enerģijas patēriņš: 0.75Kw
Vienas mašīnas troksnis: ≤70dB
Attīrīts gaiss: 0,2μm
Tīrīšanas laiks: 3 ~ 5s
Neto svars: 350 kg
Kopējais izmērs: 1200 x 800 x 1600 mm
Eļļas iepildīšanas mašīna 4 galviņu lineāra pildviela

4 galviņu olīvu pildīšanas mašīna, ko kontrolē mikrodators, apvieno fotoelektrību ar pneimatisko darbību, tādējādi plaši tiek izmantota lauksaimniecības ķīmisko vielu, šķīdumu, šķidro mazgāšanas līdzekļu, kosmētikas, kā arī olīvu šķidrai pildīšanai.
Uzpildes tilpums ir precīzs, neputojošs un stabils. Mašīna var iepildīt šķidrumu ar diapazonu no 25 līdz 1000 ml, tikmēr nav īpašu prasību attiecībā uz pudeļu formām. Tas nozīmē, ka tas var piepildīt šķidrumu parastajām pudelēm, kā arī irrugula formas pudelēm.

Modelis: VK-PF
Uzpildes diapazons: 50-3000ml
Uzpildes ātrums: <20-30b/m (500-1000ml šķidrumam)
Precizitāte: ±1%
Barošana/barošana: 0,8kw、220v
Darba spiediens: 5~6kg/cm3
Gaisa patēriņš: 0,5-0,7 mpa
ZR: 500 kg
Ārējais izmērs: 2000×800×1900mm
Atzīmēt: Uzpildes sprauslas var tikt projektētas un izgatavotas atbilstoši klientu prasībām par uzpildes diapazonu un uzpildes ātrumu
Lineāra vakuuma vāciņa mašīna Vk-Vc burku aizbāžņa aprīkojums:
Šo lineāro vāciņu mašīnu ir izpētījis un izstrādājis mūsu uzņēmums ar daudzu gadu pieredzi, tā ir unikāla vietējā tirgū. Integrēta automātiska vāciņu sakārtošana ar pārsegu, vakuuma vāciņš.
Pieņemts manuāls vakuuma sūknis, lai sasniegtu augstu vakuumu. Ar funkcijām bez pudeles bez vāka, satraucoši, ja nav pieejami vāciņi. Izbaudīja augstu automatizāciju. Galvenās pneimatiskās un elektriskās daļas ir no pasaules slaveniem zīmoliem.
Ar stabilu un uzticamu veiktspēju. To plaši izmanto stikla burku ar dzelzs vāciņu vakuuma aizvēršanai konservu, dzērienu, garšvielu, veselības aprūpes produktu utt.

Jauda: ≤2,3KW (ieskaitot vakuumsūkni)
Ražošanas jauda: 50-60BPM
Vāciņa diametrs: ¢30-¢55mm¢50-¢85mm
Pudeles augstums: 80-250 mm
Pudeles diametrs: ¢30-¢85 mm
Maksimālais vakuums: -0,08 mpa
Aizseguma vērpes: 5-20N.M
Gaisa patēriņš: 0,6M3/0,7Mpa
Mašīnas izmēri: apmēram 3000 × 1000 × 1900 mm
Svars: apmēram 850 kg
Vk-Rpl apaļo pudeļu burku marķēšanas mašīna

Pielietojums: Nepieciešama membrānai pievienotā etiķete vai izstrādājuma apkārtmēra virsma.
Nozare: Plaši izmanto pārtikas, medicīnas, kosmētikas, kosmētikas, elektronikas, metāla, plastmasas un citās nozarēs.
Pielietojums: PET apaļo pudeļu marķēšana, plastmasas pudeļu, konservu un tā tālāk marķēšana.

Piemērots etiķetes garums (mm): 20mm ~ 314mm
Piemērojamais uzlīmes platums (pamatpapīra platums/mm): 15mm ~ 150mm
Piemērojamo produktu diametrs (apaļai pudelei) un augstums: diametrs: φ25mm ~ φ100mm
Augstums: 25mm ~ 230mm
Piemērojamais standarta ruļļa diametrs (mm): φ280mm
Piemērojamais standarta ruļļa diametrs (mm): φ76mm
Marķējuma precizitāte (mm): ± 1mm
Standarta ātrums (m/min): Servo: 5 ~ 25m/min Pakāpiens: 5 ~ 19m/min
Marķēšanas ātrums (gab/min): Pakāpiens: 30 ~ 80gab/min (ar pudeli un etiķetes izmēru)
Servo: 40 ~ 120gab/min
Konveijera ātrums (m/min): 5 ~ 25m/min
Svars (kg): apmēram 185 kg
Frekvence (HZ): 50HZ Spriegums (V): 220V
Jauda (W): 530 W (vilces pakāpiens) 980 W (vilces servo)
Ierīces izmēri (mm) (garums × platums × augstums): 1950 mm × 1100 mm × 1300 mm


Koka korpusa iepakojums:

Uzpildes līnijas pēcpārdošanas serviss

Mēs garantējam galveno daļu kvalitāti 12 mēnešu laikā. Ja viena gada laikā galvenās detaļas noiet greizi bez mākslīgiem faktoriem, mēs tās brīvi nodrošināsim vai apkopsim jūsu vietā. Pēc viena gada, ja jums būs jāmaina daļas, mēs laipni nodrošināsim jums vislabāko cenu vai uzturēsim to jūsu vietnē. Ikreiz, kad jums rodas tehniski jautājumi par tā lietošanu, mēs darīsim visu iespējamo, lai jūs atbalstītu.
Kvalitātes garantija:
Ražotājs garantē, ka preces ir izgatavotas no labākajiem ražotāja materiāliem, ar pirmklasīgu darbu, pilnīgi jaunas, nelietotas un visos aspektos atbilst šajā līgumā noteiktajai kvalitātei, specifikācijām un veiktspējai. Kvalitātes garantijas periods ir 12 mēnešu laikā no B/L datuma.
Ražotājs kvalitātes garantijas laikā bez maksas remontētu līgumā paredzētās mašīnas.
Ja bojājumu var izraisīt Pircēja nepareiza lietošana vai citi iemesli, ražotājs iekasē remonta detaļu izmaksas.
Instalēšana un atkļūdošana:
Pārdevējs nosūtīs savus inženierus, lai sniegtu norādījumus par uzstādīšanu un atkļūdošanu. Izmaksas būtu jāsedz pircēja pusē (lidojuma biļetes turp un atpakaļ, izmitināšanas maksa pircēja valstī). Pircējam ir jāsniedz vietnei palīdzība instalēšanas un atkļūdošanas laikā.









